세라믹 Ceramic Membrane Filter

| 항목 | 단위 | 100nm급 | 50nm급 | 타업체 |
|---|---|---|---|---|
| 재료 | 구형α-Al2O3 | 구형α-Al2O3 | 각형α-Al2O3 | |
| 기공 분포 | % | 80~120(±20nm) | 40~60(±10nm) | 80-200 |
| 청수 통수량 | L/(m2·h·bar)@25℃ | >2000 | >1200 | ≤1500 |
| 굽힘파괴강도 | MPa | >2000 | >1200 | ≤1500 |
| 굽힘파괴강도 | MPa | >40 | >40 | >30 |
| 적용 영역 | F-Cera 설계통수량 (LMH) |
|---|---|
| 수돗물(침수식UF) | 80~150 |
| 도시하수MBR | 25~35 |
| 산업용폐수MBR | 18~25 |
| 재활용수(침수식UF) | 40~100 |



| No | module | Area of filter (㎡) | Size of module (B*L*H) | Weight (kg) | Material |
|---|---|---|---|---|---|
| 1 | Horizontal Module |
60 | 772*1307*1784mm | 400 | Frame SS304 UPVC aeration tube ABS discharging tube |
| 2 | 80 | 783*1635*1790mm | 600 | ||
| 3 | 100 | 834*1962*1798mm | 700 | ||
| 4 | 150 | 834*1962*2420mm | 900 | ||
| 5 | 160 | 1363*1796*1797mm | 1000 | ||
| 6 | 200 | 1403*2225*1818mm | 1200 | ||
| 7 | 250 | 1403*2225*2129mm | 1400 | ||
| 8 | 300 | 1403*2225*2440mm | 1700 | ||
| 9 | 350 | 1403*2100*2779mm | 1900 | ||
| 10 | 400 | 1403*2100*2810mm | 2600 | ||
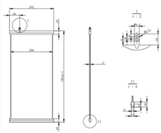
| 11 | Vertical Module |
100 | 1740*700*1400mm | 650 | |
| 12 | 200 | 1740*700*2950mm | 1500 | ||
| 13 | Vertical | 6 | 576*600*160mm | 35 | PPO module max 8 layers |

수직형-스테인레스

수평-스테인레스

수평, 타워 적층식 PPO
